Schemi gratuiti impianto di riscaldamento: DWG

Scarica gli schemi in DWG gratuiti per l'impianto di riscaldamento a pavimento, con caldaia a condensazione, ibrido pompa di calore / caldaia, centralina climatica e sonda esterna, simbolo pannello radiante.

Schema impianto riscaldamento a pavimento con caldaia, centralina climatica e sonda esterna:

schema impianto riscaldamento a pavimento centralina climatica sonda esterna

Simbolo pannello radiante:

simbolo pannello radiante

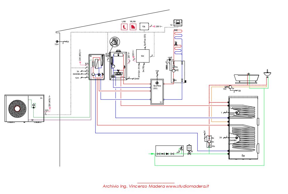
Riscaldamento a pavimento e pompa di calore ibrida:

Riscaldamento a pavimento e ibrido pompa di calore

Spero che i dwg's possano esserti utili. A presto, Vincenzo

 

I agree with the Privacy policy